发光二极管(LED)的分类
一、发光二极管的原理
发光二极管(LED)是一种由磷化镓(GaP)等半导体材料制成的、能直接将电能转变成光能的发光显示器件。当其内部有一定电流通过时,它就会发光。
发光二极管也与普通二极管一样由PN结构成,也具有单向导电性。它广泛应用于各种电子电路、家电、仪表等设备中、作电源指示或电平指示。

图4-21是共电路图形符号
二、发光二极管的类型、主要参数
按其使用材料可分为磷化镓(GaP)发光二极管、磷砷化镓(GaAsP)发光二极管、砷化镓(GaAs)发光二极管、磷铟砷化镓(GaAsInP)发光二极管和砷铝化镓(GaAlAs)发光二极管等多种。
按其封装结构及封装形式除可分为金属封装、陶瓷封装、塑料封装、树脂封装和无引线表面封装外,还可分为加色散射封装(D)、无色散射封装(W)、有色透明封装(C)和无色透明封装(T)。
按其封装外形可分为圆形、方形、矩形、三角形和组合形等多种,图4-22为几种发光二极管的外形。

图4-22
塑封发光二极管按管体颜色又分为红色、琥珀色、黄色、橙色、浅蓝色、绿色、黑色、白色、透明无色等多种。而圆形发光二极管的外径从¢2~¢20mm,分为多种规格。按发光二极管的发光颜色又可人发为有色光和红外光。有色光又分为红色光、黄色光、橙色光、绿色光等。另外,发光二极管还可分为普通单色发光二极管、高亮度发光二极管、超高亮度发光二极管、变色发光二极管、闪烁发光二极管、电压控制型发光二极管、红外发光二极管和负阻发光二极管等。
1.普通单色发光二极管? 普通单色发光二极管具有体积小、工作电压低、工作电流小、发光均匀稳定、响应速度快、寿命长等优点,可用各种直流、交流、脉冲等电源驱动点亮。它属于电流控制型半导体器件,使用时需串接合适的限流电阻。

图4-23是普通发光二极管的应用电路。
普通单色发光二极管的发光颜色与发光的波长有关,而发光的波长又取决于制造发光二极管所用的半导体材料。红色发光二极管的波长一般为650~700nm,琥珀色发光二极管的波长一般为630~650 nm ,橙色发光二极管的波长一般为610~630 nm左右,黄色发光二极管的波长一般为585 nm左右,绿色发光二极管的波长一般为555~570 nm。常用的国产普通单色发光二极管有BT(厂标型号)系列、FG(部标型号)系列和2EF系列,常用的进口普通单色发光二极管有SLR系列和SLC系列等。
2.高亮度单色发光二极管和超高亮度单色发光二极管? 高亮度单色发光二极管和超高亮度单色发光二极管使用的半导体材料与普通单色发光二极管不同,所以发光的强度也不同。通常,高亮度单色发光二极管使用砷铝化镓(GaAlAs)等材料,超高亮度单色发光二极管使用磷铟砷化镓(GaAsInP)等材料,而普通单色发光二极管使用磷化镓(GaP)或磷砷化镓(GaAsP)等材料。
常用的高亮度红色发光二极管的主要参数见表4-29,常用的超高亮度单色发光二极管。
3.变色发光二极管? 变色发光二极管是能变换发光颜色的发光二极管。变色发光二极管发光颜色种类可分为双色发光二极管、三色发光二极管和多色(有红、蓝、绿、白四种颜色)发光二极管。
变色发光二极管按引脚数量可分为二端变色发光二极管、三端变色发光二极管、四端变色发光二极管和六端变色发光二极管。

左图是三端变色发光二极管的外形和电路图形符号
右图是六端变色发光二极管的外形和内部电路
常用的双色发光二极管有2EF系列和TB系列,常用的三色发光二极管有2EF302、2EF312、2EF322等型号。
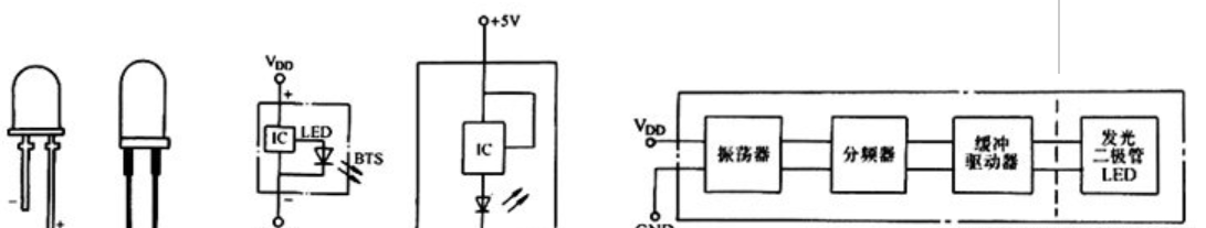
4.闪烁发光二极管? 闪烁发光二极管(BTS)是一种由CMOS集成电路和发光二极管组成的特殊发光器件,可用于报警指示及欠压、超压指示。其外形、内部结构图及内电路框图见下图。

闪烁发光二极管在使用时,无须外接其它元件,只要在其引脚两端加上适当的直流工作电压(5V)即可闪烁发光。
5.电压控制型发光二极管? 普通发光二极管属于电流控制型器件,在使用时需串接适当阻值的限流电阻。电压控制型发光二极管(BTV)是将发光二极管和限流电阻集成制作为一体,使用时可直接并接在电源两端。电压控制型发光二极管的发光颜色有红、黄、绿等,工作电压有5V、9V、12V、18V、19V、24V共6种规格。
6.红外发光二极管? 红外发光二极管也称红外线发射二极管,它是可以将电能直接转换成红外光(不可见光)并能辐射出去的发光器件,主要应用于各种光控及遥控发射电路中。
红外发光二极管的结构、原理与普通发光二极管相近,只是使用的半导体材料不同。红外发光二极管通常使用砷化镓(GaAs)、砷铝化镓(GaAlAs)等材料,采用全透明或浅蓝色、黑色的树脂封装。
常用的红外发光二极管有SIR系列、SIM系列、PLT系列、GL系列、HIR系列和HG系列等。
leyu体育官网租赁屏,户内外两用,弧型拼接,快速安装!租赁、演义、展会首选的租赁屏!LED租赁屏可任意弧度弯曲,满足弧形、异形等舞台创意需求。leyu体育官网租赁屏,连续10年出口第一,世界首选leyu体育官网。
知识来源于互联网,如有版权问题,请联系修改。
中国 / 简体中文